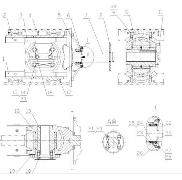
Clamp assembly RS11306A.05.20.0011

Other parts we can provide
Гидровлический конец в сборе
| NO. | Условное обозначение |
Наименование Наименование |
Ко-во Количество |
| 1 | RS11306A.05.009 | Крышка клапана | 1 |
| 2 | RS11306.05.008 | Уплотнительное кольцо крышки клапана | 1 |
| 3 | RS11306.05.010 | 阀杆导向器(上) | 1 |
| 4 | RS11306.05.012 | Щит | 1 |
| 5 | BG.05.001 | Болт M10X20 | 4 |
| 6 | RS11306.05.11.00 | Направляющая пружина | 1 |
| 7 | RS11306.05.013 | Пружина | 2 |
| 8 | API #6 клапан в сборе | 2 | |
| 9 | API #6 основание в сборе | 2 | |
| 10 | RS11306A.05.01.0011 | Цилиндра | 1 |
| 11 | BG.05.003 | Болт M33X2-M33X3X256 | 4 |
| 12 | NG.05.002 | Гайка M33X3 | 4 |
| 13 | GB/T 3452.1 | O-образное кольцо φ97.5X3.55 | 1 |
| 14 | RS11306.05.002 | Фланец | 1 |
| 15 | BG.05.004 | Болт M36X2-M36X3X218 | 10 |
| 16 | RS11306A.05.18.00 | Цилиндра | 1 |
| 17 | NG.05.003 | ГайкаM36X3 | 10 |
| 18 | RS11306.05.004 | Уплотнительное кольцо цилиндра | 2 |
| 19 | RS11306.05.006 | 顶缸器 | 1 |
| 20 | RS11306.05.005 | Пробка | 1 |
| 21 | RS11306.05.003 | Крышка цилиндра | 1 |
| 22 | RS11306.05.025 | Карта фиксации | 1 |
| 23 | RS11306.05.26.001 | Направляющая | 1 |
| 24 | RS11306.05.26.002 | Направляющая | 1 |
| 25 | RS11306A.05.15.00 | Гайка M39X3 | 1 |
| 26 | Поршня | 1 | |
| 27 | RS11305.01.36.1.01 | Уплотнительное кольцо | 1 |
| 28 | RS11306A.05.017 | Шток (F1000) | 1 |
| RS11308A.05.008 | Шток (F800) | 1 | |
| 29 | RS11306A.05.20.0011 | Хомут (F1000) | 1 |
| RS11308A.05.02.0011 | Хомут(F800) | 1 | |
| 30 | GB/T 93 | Пружиная прокладка 22(F1000) | 2 |
| Пружиная прокладка 20(F800) | |||
| 31 | GB/T 5782 | Болт M22X100 | 2 |
| Болт M20X90 | |||
| 32 | RS11306.05.022 | Крышка цилиндра | 1 |
| 33 | NG.05.001 | Гайка M39X3 | 8 |
| 34 | BG.05.002 | Болт M39X2-M39X3X165 | 8 |
Примечание: 1 если под одому номеру есть 2 ряда, первый—знчитRS-F1000, в второй RS-F800.
2норма цилиндра и поршни в пункте 16и26:100mm(F800),110mm,120mm,130mm,140mm,150mm,160mm,170mm
3. надо плюс 3 получится количество крейцкопфа одного насоса.

| NO. | Условное обозначение |
Наименование Наименование |
Ко-во Количество |
| 1 | BG.05.005 | Болт с двумя голавами M39X3X255 | 16 |
| 2 | NG.05.001 | Гайка M39X3 | 32 |
| 3 | RS11306.05.007 | Выходный трубопровод | 1 |
| RS11308.05.001 | |||
| 4 | GB/T 5782 | БолтM27X110 | 12 |
| БолтM22X90 | 24 | ||
| 5 | GB/T 6170 | Гайка M27 | 36 |
| ГайкаM22 | 36 | ||
| 6 | RS11306.05.031 | Всасывающтй фланец (II) | 1 |
| RS11308.05.006 | |||
| 7 | GB/T 3452.1 | O-образное кольцоφ345X7 | 2 |
| O-образное кольцоφ290X7 | |||
| 8 | RS11306.05.27.00 | Всасывающий трубопровод | 1 |
| RS11308.05.03.00 | |||
| 9 | RS11306.05.29.00 | Прокладки | 2 |
| 10 | GB/T 5782 | БолтM27X90 | 24 |

Крейцкопф в сборе
| NO. | Условное обозначение |
Наименование Наименование |
Ко-во Количество |
| 1 | RS11306.04.001 | Верхний ползун | 1 |
| RS11308.04.002 | |||
| 2 | RS11306.04.002 | Ниякий ползун | 1 |
| RS11308.04.009 | |||
| 3 | RS11306A.04.003 | Крейцкопф | 1 |
| RS11308A.04.002 | |||
| 4 | RS11306.04.004 | патрубок3/8”X2 | 2 |
| 5 | RS11306.04.005 | Уплотнительная прокладка | 1 |
| RS11308.04.011 | |||
| 6 | RS11306.04.006 | Сальник | 1 |
| RS11308.04.003 | |||
| 7 | RS11306.04.007 | Промежуточный тяговой рычаг | 1 |
| RS11308.04.005 | |||
| 8 | RS11306.04.008 | Шит | 1 |
| RS11308.04.004 | |||
| 9 | GB/T 70.1 | Болт M20X57 | 8 |
| БолтM16X55 | |||
| 10 | RS11306A.04.009 | Щит крепния | 8 |
| RS11308A.04.010 | |||
| 11 | RS11306A.04.010 | Щит крейцкопфа | 1 |
| RS11308A.04.013 | |||
| 12 | 5G254936Q | Подшипник крейцкопфа | 1 |
| 254735Q | |||
| 13 | RS11306A.04.011 | Крейцкопфа | 1 |
| RS11308A.04.014 | |||
| 14 | BG.04.001 | Болт M24X65 | 4 |
| RS11308A.04.015 | Болт M20X50 | ||
| 15 | Проволока φ1.6 | По требованием | |
| 16 | Проволокаφ1.6 | По требованием | |
| 17 | RS11306.04.012 | Прокладки | 8 |
| 18 | BG.04.002 | Болт M24X55 | 2 |
| RS11308A.04.016 | Болт M20X40 | ||
| 19 | RS11306.04.013 | Регулирующая прокладка | 4 |
| RS11308.04.012 | |||
| 20 | BG.04.003 | Болт M24X65 | 4 |
| RS11308A.04.017 | БолтM20X50 | ||
| 21 | Проволока φ1.6 | 4 | |
| 22 | GB/T 3452.1 | O-образное кольцо175X3.55 | 1 |
| O-образное кольцо160X3.55 | |||
| 23 | RS11306.04.014 | Лвухгубное уплотнительное кольцо 4.5X5.5X0.5” | 2 |
| RS11308.04.008 | Лвухгубное уплотнительное кольцо4X5X0.5” | ||
| 24 | GB/T 3452.1 | O-образное кольцо115X5.3 | 1 |
| 25 | RS11306.04.015 | Кольцо сальника | 1 |
| RS11308.04.007 | |||
| 26 | GB/T 3452.1 | O-образное кольцо140X7 | 1 |
| O-образное кольцо128X7 | |||
| 27 | GB/T 5783 | Болт M10X25 | 4 |
| 28 | GB/T 93 | Прокладка 10 | 4 |
| 29 | RS11306.04.016 | Прижина | 1 |
| RS11308.04.006 | |||
| 30 | Клей 242 | По требованием |
Примечание: если под одому номеру есть 2 ряда, первый—знчит RS-F1000, в второй RS-F800. надо плюс 3 получится количество крейцкопфа одного насоса.